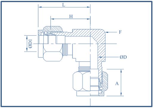
Description
Elbow Union Double Ferrule Tube Compression Tube from 1/16″ to 2″ OD Tube and 3mm OD Tube to 50mm OD Tube with Double Ferrule and a Nut .
UNION ELBOW (OD Tube Imperial)
| 0D1 Imperial |
0D | F Hex | A Inch | L Inch | H mm |
| 1/16 | 0.05 | 5/16 | 0.34 | 0.99 | 19.7 |
| 1/8 | 0.09 | 7/16 | 0.5 | 1.4 | 26.1 |
| 3/16 | 0.12 | 7/16 | 0.54 | 1.47 | 26.1 |
| 1/4 | 0.19 | 1/2 | 0.6 | 1.61 | 27.1 |
| 5/16 | 0.25 | 9/16 | 0.64 | 1.69 | 30.3 |
| 3/8 | 0.28 | 5/8 | 0.66 | 1.77 | 30.3 |
| 1/2 | 0.41 | 13/16 | 0.9 | 2.02 | 31.5 |
| 5/8 | 0.5 | 15/16 | 0.96 | 2.05 | 31.5 |
| 3/4 | 0.62 | 1-1/16 | 0.96 | 2.11 | 32.5 |
| 7/8 | 0.72 | 1-3/16 | 1.02 | 2.17 | 35.9 |
| 1 | 0.88 | 1-3/8 | 1.23 | 2.55 | 40.9 |
| 1-1/4 | 1.04 | 1-7/8 | 1.62 | 3.63 | 48 |
| 1-1/2 | 1.34 | 2-1/4 | 1.97 | 4.25 | 53.6 |
| 2 | 1.81 | 3 | 2.66 | 5.88 | 74.7 |
UNION ELBOW (OD Tube Metric)
| ØD1 Metric |
ØD | F Hex |
A mm |
L mm |
H mm |
| 1/3 | 2.4 | 1/11 | 13.7 | 25.4 | 18.8 |
| 1/5 | 4.8 | 1/11 | 15.3 | 27 | 19.6 |
| 1/7 | 6.4 | 1/13 | 16.2 | 28.8 | 21.3 |
| 1/9 | 7.9 | 1/16 | 17.2 | 31.5 | 23.9 |
| 1/11 | 9.5 | 1/19 | 22.8 | 36 | 25.9 |
| 1/13 | 11.1 | 1/22 | 24.4 | 38 | 28.7 |
| 1/14 | 11.9 | 23.8 | 24.4 | 38 | 28.7 |
| 1/15 | 12.7 | 23.8 | 24.4 | 38 | 28.7 |
| 1/17 | 15.1 | 26.98 | 24.4 | 39.8 | 29.7 |
| 1/19 | 15.9 | 32 | 26 | 44.6 | 32.5 |
| 22 | 18.3 | 32 | 26 | 44.6 | 32.5 |
| 25 | 21.8 | 32 | 26 | 44.6 | 32.5 |
| 28 | 21.8 | 42 | 36.6 | 64 | 43.2 |
| 30 | 26.2 | 46 | 39.6 | 69.9 | 43.2 |
| 32 | 28.6 | 46 | 42 | 72.3 | 49.3 |
| 2/6 | 33.7 | 2/23 | 49.4 | 84 | 56.4 |
| 2/18 | 45.2 | 3/8 | 65 | 105.7 | 69.8 |
Some Common Sizes for SS 316 Union Elbow are
1.TYA SS 316 Union Elbows 1/8” OD
2.TYA SS 316 Union Elbows 1/4” OD
3.TYA SS 316 Union Elbows 3/8” OD
4.TYA SS 316 Union Elbows 1/2” OD
5.TYA SS 316 Union Elbows 3/4” OD
6.TYA SS 316 Union Elbows 1” OD
7.TYA SS 316 Union Elbows 6mm OD
8.TYA SS 316 Union Elbows 8mm OD
9.TYA SS 316 Union Elbows 10mm OD
10.TYA SS 316 Union Elbows 12mm OD
11.TYA SS 316 Union Elbows 14mm OD
12.TYA SS 316 Union Elbows 16mm OD



